- 175 Actual Exam Questions
- Compatible with all Devices
- Printable Format
- No Download Limits
- 90 Days Free Updates
Get All Quality Engineer Exam Questions with Validated Answers
| Vendor: | ASQ |
|---|---|
| Exam Code: | CQE |
| Exam Name: | Quality Engineer |
| Exam Questions: | 175 |
| Last Updated: | October 26, 2025 |
| Related Certifications: | Certified Quality Engineer |
| Exam Tags: |
Looking for a hassle-free way to pass the ASQ Quality Engineer exam? DumpsProvider provides the most reliable Dumps Questions and Answers, designed by ASQ certified experts to help you succeed in record time. Available in both PDF and Online Practice Test formats, our study materials cover every major exam topic, making it possible for you to pass potentially within just one day!
DumpsProvider is a leading provider of high-quality exam dumps, trusted by professionals worldwide. Our ASQ CQE exam questions give you the knowledge and confidence needed to succeed on the first attempt.
Train with our ASQ CQE exam practice tests, which simulate the actual exam environment. This real-test experience helps you get familiar with the format and timing of the exam, ensuring you're 100% prepared for exam day.
Your success is our commitment! That's why DumpsProvider offers a 100% money-back guarantee. If you don’t pass the ASQ CQE exam, we’ll refund your payment within 24 hours no questions asked.
Don’t waste time with unreliable exam prep resources. Get started with DumpsProvider’s ASQ CQE exam dumps today and achieve your certification effortlessly!
Which of the following tools can be used to determine the best option from many choices based on their importance and merits?
A prioritization matrix is a tool that helps determine the best option from many choices based on their importance and merits. It evaluates and prioritizes different options using specific criteria and assigns scores to facilitate decision-making.
'The Quality Toolbox' by Nancy R. Tague
ASQ Quality Tools
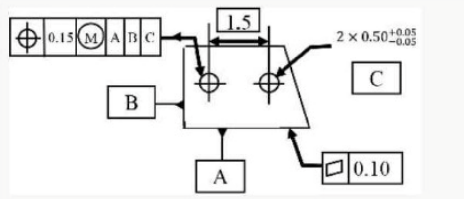
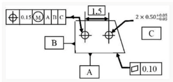
Refer to the exhibit.

A in this drawing, the symbol is being used to indicate the
In the provided drawing, the symbol marked 'A' is being used to indicate a datum. A datum is a reference point, line, or surface used as a basis for measurement and to establish the location or orientation of other features. It serves as a starting point for dimensional control and ensures consistency in the manufacturing process.
'Geometric Dimensioning and Tolerancing' by Alex Krulikowski
ASME Y14.5 - 2009 (Dimensioning and Tolerancing)
When requesting "worst case" design analysis, you expect the reliability group to
The following components (1,2,3) each have reliabilities of 0.95.

What is the system reliability?
Given that components 1, 2, and 3 each have reliabilities of 0.95, and assuming the system configuration as depicted in the image (series-parallel configuration):
Reliability of the parallel components (2 and 3): Rparallel=1[(1R2)(1R3)]R_{\text{parallel}} = 1 - [(1 - R_2) \times (1 - R_3)]Rparallel=1[(1R2)(1R3)] Rparallel=1[(10.95)(10.95)]R_{\text{parallel}} = 1 - [(1 - 0.95) \times (1 - 0.95)]Rparallel=1[(10.95)(10.95)] Rparallel=1[0.050.05]R_{\text{parallel}} = 1 - [0.05 \times 0.05]Rparallel=1[0.050.05] Rparallel=10.0025R_{\text{parallel}} = 1 - 0.0025Rparallel=10.0025 Rparallel=0.9975R_{\text{parallel}} = 0.9975Rparallel=0.9975
Reliability of the entire system (series of component 1 and the parallel system): Rsystem=R1RparallelR_{\text{system}} = R_1 \times R_{\text{parallel}}Rsystem=R1Rparallel Rsystem=0.950.9975R_{\text{system}} = 0.95 \times 0.9975Rsystem=0.950.9975 Rsystem=0.947625R_{\text{system}} = 0.947625Rsystem=0.947625
Rounded to three decimal places, the system reliability is 0.948.
Reliability engineering principles for series and parallel systems calculations.
Failure mode, effect, and criticality analysis, (FMECA) is primarily for the purpose of
Security & Privacy
Satisfied Customers
Committed Service
Money Back Guranteed